美標旋塞閥特點
①旋塞閥密封面之間的運動帶有擦拭作用、全開時可以完全防止密封面與介質接觸所以可用于帶懸浮顆粒的介質。
②旋塞閥圓柱形的關閉件通過旋轉900就可以達到開啟和關閉所以該閥門非常適用快速啟閉的場合。
③旋塞閥結構簡單易于維修和清理、如緊定式圓維形旋塞閥、擰下緊定螺母、撤下墊圈閥塞便可以從閥體中取出、進行清理和維修。奧氏體不銹鋼制成的該類閥門是食品工業和制藥工的最佳選擇。
標準STD
|
設計與制造
|
結構長度
|
法蘭尺寸
|
對焊連接尺寸
|
壓力~溫度
|
試驗~檢驗 |
|
API600
|
ANSIB16.10
|
ANS1B16.5a
|
ANS1B16.25
|
ANS1B16.34
|
AP1598
|
壓力試驗
|
公稱壓力
|
強度試驗
|
水密封試驗
|
氣密封試驗
|
|||
|
MPa
|
Lbf/in2
|
MPa
|
Lbf/in2
|
MPa
|
Lbf/in2
|
|
|
150
|
3.1
|
450
|
2.2
|
315
|
0.5~0.7
|
60~100
|
|
300
|
7.8
|
1125
|
5.6
|
815
|
||
|
600
|
15.3
|
2225
|
11.2
|
1630
|
||
|
900
|
23.1
|
3350
|
16.8
|
2440
|
||
|
1500
|
38.4
|
5575
|
28.1
|
4080
|
||
|
2500
|
64.6
|
9367
|
47.4
|
6873
|
||
主要零件材料及性能
|
閥體、閥蓋
|
塞體
|
調節閥
|
調節墊片
|
O形圈
|
工作溫度
|
適用介質
|
|
WCB
|
WCB
|
F6
|
PTFE
增強PTFE
|
氟橡膠
|
-29~340℃
|
水、蒸汽、天然氣、石油、石油產品、硝酸、醋酸
|
|
A105
|
A105
|
F6
|
||||
|
CF8
|
F304
|
F304
|
||||
|
CF3
|
F316
|
F316
|
PTFE
|
耐酸220℃
|
|
|
|
CF8M
|
F304L
|
F304L
|
||||
|
CF3M
|
F316L
|
F316L
|
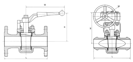
主要外形尺寸
|
磅級
|
尺寸
|
d
|
L
|
D
|
D1
|
D2
|
b
|
z-φd
|
f
|
Lo
|
H
|
X
|
W
|
|
150
|
1/2
|
13
|
108
|
89
|
60
|
35
|
-
|
46
|
2
|
149
|
121
|
-
|
-
|
|
3/4
|
19
|
117
|
98
|
70
|
43
|
-
|
46
|
2
|
149
|
121
|
-
|
-
|
|
|
1
|
25
|
140
|
128
|
79
|
51
|
11
|
46
|
2
|
181
|
124
|
-
|
-
|
|
|
21/2
|
38
|
165
|
127
|
98
|
73
|
14
|
46
|
2
|
229
|
140
|
-
|
-
|
|
|
2
|
51
|
178
|
152
|
121
|
92
|
16
|
49
|
2
|
305
|
159
|
-
|
-
|
|
|
21/2
|
64
|
191
|
178
|
140
|
105
|
17
|
49
|
2
|
460
|
191
|
-
|
-
|
|
|
3
|
76
|
203
|
191
|
152
|
127
|
19
|
49
|
2
|
460
|
191
|
-
|
-
|
|
|
4
|
102
|
229
|
229
|
191
|
157
|
24
|
89
|
2
|
762
|
229
|
-
|
-
|
|
|
6
|
152
|
267
|
279
|
241
|
216
|
25
|
8-22
|
2
|
-
|
536
|
222
|
305
|
|
|
8
|
203
|
292
|
343
|
298
|
270
|
29
|
8-22
|
2
|
-
|
565
|
400
|
460
|
|
|
10
|
254
|
330
|
406
|
362
|
324
|
30
|
12-25
|
2
|
-
|
616
|
400
|
460
|
|
|
300
|
1/2
|
13
|
140
|
95
|
67
|
35
|
14
|
46
|
2
|
149
|
121
|
-
|
-
|
|
3/4
|
19
|
152
|
117
|
83
|
43
|
16
|
49
|
2
|
149
|
121
|
-
|
-
|
|
|
1
|
25
|
159
|
124
|
89
|
51
|
17
|
49
|
2
|
181
|
124
|
-
|
-
|
|
|
21/2
|
38
|
191
|
156
|
114
|
73
|
21
|
4-22
|
2
|
229
|
140
|
-
|
-
|
|
|
2
|
51
|
216
|
165
|
127
|
92
|
22
|
89
|
2
|
305
|
159
|
-
|
-
|
|
|
21/2
|
64
|
241
|
191
|
149
|
105
|
25
|
8-22
|
2
|
460
|
191
|
-
|
-
|
|
|
3
|
76
|
283
|
210
|
168
|
127
|
29
|
8-22
|
2
|
460
|
191
|
-
|
-
|
|
|
4
|
102
|
305
|
254
|
200
|
157
|
32
|
8-22
|
2
|
762
|
229
|
-
|
-
|
|
|
6
|
152
|
403
|
318
|
270
|
216
|
37
|
12-22
|
2
|
-
|
546
|
222
|
305
|
|
|
8
|
203
|
419
|
381
|
300
|
270
|
41
|
12-25
|
2
|
-
|
565
|
400
|
460
|
|
|
10
|
254
|
457
|
445
|
387
|
324
|
48
|
16-29
|
2
|
-
|
616
|
400
|
460
|
產品尺寸
溫馨提示: 美標蝸輪旋塞閥的產品介紹中所提及的文字、圖片等相關數據僅適用于參考。如需準確的其它閥門系列產品相關資料,請致電我公司索取,我們竭誠為您提供最優質的服務!
電話:0577 - 66999666 / 傳真:67992512
